Equipamiento productivo | Chile
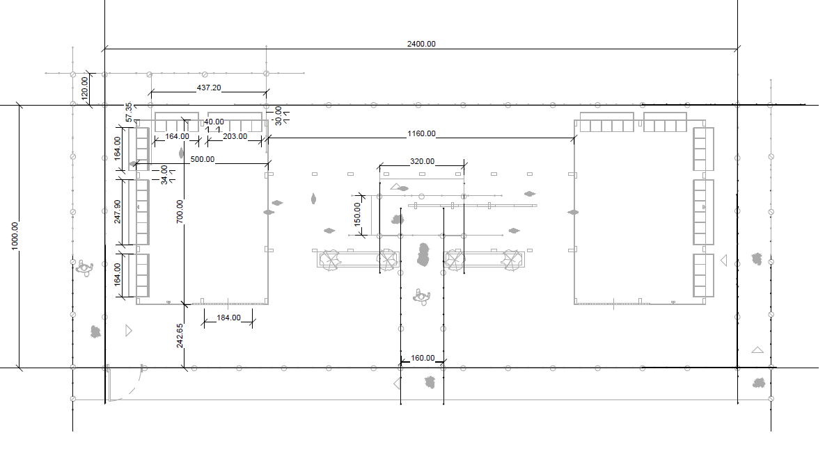
El proyecto corresponde al diseño de un módulo avícola destinado a una granja educativa, enfocado en la producción a pequeña escala y en la interacción pedagógica con los usuarios.
La propuesta organiza el programa mediante una estructura modular que separa las áreas de resguardo, circulación y alimentación, permitiendo un funcionamiento eficiente y un fácil mantenimiento.
Se plantea una solución constructiva simple, utilizando materiales accesibles y sistemas de cerramiento que garantizan ventilación, iluminación natural y control del entorno, integrando la actividad productiva con el espacio educativo.
El proyecto corresponde al diseño de un módulo avícola destinado a una granja educativa, enfocado en la producción a pequeña escala y en la interacción pedagógica con los usuarios.
La propuesta organiza el programa mediante una estructura modular que separa las áreas de resguardo, circulación y alimentación, permitiendo un funcionamiento eficiente y un fácil mantenimiento.
Se plantea una solución constructiva simple, utilizando materiales accesibles y sistemas de cerramiento que garantizan ventilación, iluminación natural y control del entorno, integrando la actividad productiva con el espacio educativo.